KÍCH THỦY LỰC FPT CDE-10/100 | CON ĐỘI THỦY LỰC FPT CDE-10/100 | FPT DOUBLE ACTING HYDRAULIC JACK CDE-10/100 | 10 tấn | 100 mm


- Kích thủy lực FPT CDE-10/100, con đội thủy lực FPT CDE-10/100, FPT double acting hydraulic jack CDE-10/100: là thiết bị được sử dụng phổ biến trong công nghiệp và các công trình xây dựng. Với khả năng nâng tải chắc chắn của mình, sản phẩm kích thủy lực đảm bảo kỹ thuật mang tính dài lâu.
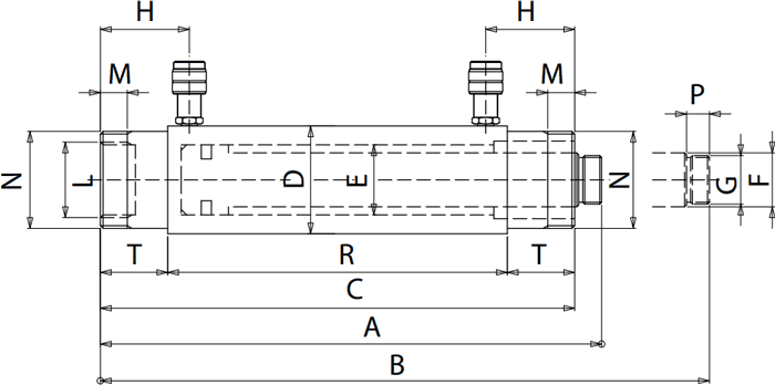
- Kích thủy lực FPT CDE-10/100 thuộc loại kích thủy lực 2 chiều hay còn gọi là kích thủy lực ngang có sức nâng max: 10 tấn, sức kéo max: 68.2 kN, hành trình nâng max: 100 mm. Áp suất hoạt động < 700 bar ( 70 MPa), chiều cao tĩnh ban đầu: 283 mm, chiều cao khi đã nâng tối đa: 383 mm, với trọng lượng: 6.5 kg.
- Đầu kết nối nhanh theo chuẩn 3/8"-NPT, cho phép đấu nối nhanh với bơm thủy lực, thông qua ống dây thủy lực, phụ kiện thủy lực.
- Vì là kích 2 chiều nên kích thủy lực FPT CDE-10/100 phải kết hợp với bơm thủy lực 2 chiều thì mới có thể hoạt động một cách hoàn chỉnh, bên cạnh đó quá trình hồi áp về của kích thủy lực 2 chiều cũng nhanh hơn so với dòng kích thủy lực 1 chiều.
- Kích thủy lực FPT CDE-10/100 được chế tạo bằng thép cường lực, chịu va đập tốt, kết hợp với gioăng phớt chất lượng cao, cho tuổi thọ sử dụng dài lâu, đặc biệt là sai số tải trọng rất nhỏ trong quá trình sử dụng theo năm tháng vận hành.
- Phía đầu kích và đáy kích thủy lực FPT CDE-10/100 có sẵn các ren chờ, bulong chìm, thuận tiện khi kết nối với đồ gá, chân kích cần gia cố, gá đặt.
- Để nâng các tải trọng cỡ lớn, kích thước dài và rộng, có phân bố tải trọng không đồng đều, thường chọn giải pháp phối 1 bơm cho nhiều kích thủy lực FPT CDE-10/100, hoạt động đồng thời, thay vì chỉ sử dụng một vài chiếc kích cỡ lớn.
- Nhận sửa chữa, phục chế kích thủy lực, bơm thủy lực và cung cấp phụ kiện đầy đủ (gioăng phớt, lò xo, valve) của FPT và các hãng khác. Nhận cung cấp dịch vụ kiểm định test tải trọng kích tại các trung tâm kiểm định của Nhà nước và tư nhân, để nhanh chóng đưa kích vào sử dụng tới khách hàng.
- DKV VIET NAM nhận cung cấp ống dây thủy lực (vật liệu cao su hoặc nylon gia cường) với độ dài bất kỳ (4m, 6m, 8m, 10m, 15m, 20m, 50m...), chuyển đổi coupler sang các kiểu khác, để phù hợp với chuẩn Osaka, Enerpac, Power Team, Betex, Holmatro, Riken, Larzep, Rehobot, Simplex, Tecpos, Tonners... mà khách hàng đang sử dụng.
- Ngoài cung cấp kích thủy lực FPT CDE-10/100, chúng tôi còn có sẵn các kích tiêu chuẩn chất lượng của Osaka | Japan, giá rẻ của Tonners | Korea, DKV HYDRAULIC | China để thỏa mãn sự lựa chọn thêm của khách hàng, phù hợp với tiêu chí của khách hàng đặt ra (tham khảo tại: www.osaka-jack.com.vn và www.dkv-hydraulic.com).
- Giao hàng và service kích thủy lực FPT CDE-10/100 toàn quốc cho mọi khách hàng, hãy liên hệ với chúng tôi tại các văn phòng gần nhất, để được phục vụ.
-
Thông tin sản phẩm niêm yết chính thức tại hãng FPT.

-
Catalogue, thông số kỹ thuật sản phẩm chi tiết xem tại đây.



- Hãng sản xuất: FPT/Italy.
- Bảo hành: 12 tháng.
- CO (Chứng chỉ xuất xứ): Phòng thương mại Italy.

- Đơn giá: vui lòng liên hệ với chúng tôi để biết chi tiết.
- Xuất xứ: FPT/Italy.
- CO, CQ do nhà sản xuất FPT/Italy.
- Bảo hành: 12 tháng.
- Quy cách đóng gói: hộp carton.
- Thời gian giao hàng: 2-3 ngày đối với hàng có sẵn tại Việt nam, 10-30 ngày đối với hàng không có sẵn tại Việt nam.
- Giao hàng toàn quốc, vui lòng tham khảo chính sách giao hàng phía dưới website.


































