
CĂNG BULONG THỦY LỰC TECPOS TBT-M20 | TECPOS HYDRAULIC BOLT TENSIONER TBT-M20 | 19 TẤN | M20


- Căng bulong thủy lực Tecpos TBT-M20, Tecpos hydraulic bolt tensioner TBT-M20: chuyên dùng để siết bulong cường độ cao M20, với lực siết max: 19 tấn hành trình: 6 mm, áp hoạt động < 1.500 bar.
- Căng bulong thủy lực Tecpos TBT-M20 được chế tạo bằng thép cường lực, trong đó có gia cố, tăng cứng phần ren chịu lực.
- Ứng dụng chủ yếu của căng bulong thủy lực: siết bulong móng cường độ cao, siết mặt bích với yêu cầu độ đồng tâm, đồng phẳng, kín khít cao trong nghành đường ống.
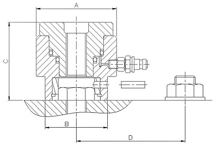
- Cấu tạo chính của căng bulong thủy lực Tecpos TBT-M20 gồm 3 bộ phận ghép nối với nhau: xilanh, puller và quang đai.
- Mỗi căng bulong thủy lực Tecpos TBT-M20 trang bị coupler kiểu nối nhanh, cho phép mắc nối tiếp khi siết nhiều đầu căng bulong thủy lực cùng lúc, hoặc kết nối nhanh với bơm tay, bơm khí nén căng bulong thủy lực khi siết đơn chiếc.
- Căng bulong thủy lực Tecpos TBT-M20 có trọng lượng: 2 kg, được sản xuất bởi Daejin Hydraulic - Busan - Korea. Made in Korea. DKV VIET NAM nhập khẩu, phân phối và service tại Việt nam.
- Nhận sửa chữa, phục chế cờ lê thủy lực, căng bulong thủy lực, bơm thủy lực và cung cấp phụ kiện đầy đủ (gioăng phớt, lò xo, valve) của Tecpos, Enerpac, Boltight và các hãng khác. Nhận cung cấp dịch vụ kiểm định test tải trọng, lực siết, áp lực căng bulong thủy lực Tecpos TBT-M20 tại các trung tâm kiểm định của Nhà nước và tư nhân, để nhanh chóng đưa căng bulong thủy lực Tecpos TBT-M20 tới khách hàng vào sử dụng.
- Cung cấp các loại bơm căng bulong thủy lực nhiều option tùy chọn: bơm tay thủy lực, bơm khí nén thủy lực, bơm điện thủy lực, các mức điện áp (220V/1ph hoặc 380V/3ph), bơm căng bulong thủy lực phòng chống cháy nổ....phù hợp với từng yêu cầu của khách hàng khi sử dụng căng bulong thủy lực Tecpos TBT-M20 đặt ra.
- Ngoài cung cấp căng bulong thủy lực Tecpos TBT-M20 và các sản phẩm tiêu chuẩn luôn có sẵn, chúng tôi còn cung cấp các căng bulong thủy lực tiêu chuẩn chất lượng cao hơn của Boltight/UK, Tension Pro/UK, Blackiron/Italy để thỏa mãn sự lựa chọn thêm của khách hàng, phù hợp với tiêu chí của khách hàng đặt ra
- DKV VIET NAM nhận cung cấp ống dây thủy lực (vật liệu cao su hoặc nylon gia cường) với độ dài bất kỳ (4m, 6m, 8m, 10m, 15m, 20m, 50m...), áp lực max (700 bar, 1500 bar, 2500 bar, 4000 bar) chuyển đổi coupler sang các kiểu khác, để phù hợp với chuẩn Cejn, Hytorc, TorcUP, Boltight, Tension Pro, Blackiron, Hi-Force... mà khách hàng đang sử dụng.
- Giao hàng và service căng bulong thủy lực Tecpos TBT-M20 toàn quốc cho mọi khách hàng, hãy liên hệ với chúng tôi tại các văn phòng gần nhất, để được phục vụ.
-
Thông tin sản phẩm niêm yết chính thức tại hãng Tecpos.
-
Catalogue, thông số kỹ thuật sản phẩm chi tiết xem tại







THÔNG TIN CHUNG:
- Xuất xứ: Daejin Hydraulic (Tecpos)/Korea.
- CO do phòng Thương mại Hàn Quốc cấp (bản photo copy).
- CQ do nhà sản xuất Tecpos cấp.
- Bảo hành: 12 tháng (theo tiêu chuẩn nhà sản xuất).
- Quy cách đóng gói: hộp carton.

- Đơn giá bơm thủy lực: vui lòng liên hệ với chúng tôi để biết chi tiết.
- Xuất xứ: Daejin Hydraulic (Tecpos)/Korea.
- CO, CQ do nhà sản xuất Tecpos/Korea cấp.
- Bảo hành: 12 tháng.
- Quy cách đóng gói: hộp carton.
- Thời gian giao hàng đối với hàng có trong kho tại Việt nam: 2-3 ngày, đối với hàng không có trong kho tại Việt Nam: 10-30 ngày(tùy thời điểm đặt hàng).
- Giao hàng : toàn quốc.Điều khoản giao hàng vui lòng liên hệ với chúng tôi hoặc xem CHÍNH SÁCH BÁN HÀNG phía dưới website.