CỜ LÊ THỦY LỰC TORC STARK 8CLCD | TORC STARK HYDRAULIC TORQUE WRENCH 8CLCD | 11.550 N.m | 75 - 95 mm


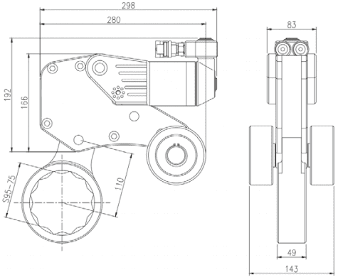
- Cờ lê thủy lực Torc Stark 8CLCD, Torc Stark hydraulic torque wrench 8CLCD: là loại cờ lê thủy lực đầu tròng, chuyên dùng để siết lực chính xác các loại bulong 12 cạnh: 75 - 95 mm, với siết lực 11.550 N.m, trong công nghiệp. Cờ lê thủy lực Torc Stark 8CLCD hoạt động ở áp < 500 bar, do hãng Torc Stark, Trung Quốc sản xuất.
- Cờ lê thủy lực Torc Stark 8CLCD chế tạo từ thép cường lực (bằng phương pháp phay, doa nguyên khối), bố trí nhiều gân tăng cứng giúp hoạt động ổn định.
- Với ưu điểm mỏng dẹt nổi bật, cờ lê thủy lực Torc Stark 8CLCD siết được các vị trí khó, đặc biệt các bulong có đầu thò ra dài. Thay đổi được nhiều loại tròng trong giải cho phép, thậm chí có thể lắp đầu chuyển đổi sang cờ lê thủy lực dạng đầu chụp.
- Cờ lê thủy lực Torc Stark 8CLCD có cụm đầu coupler xoay 1800x3600, cho phép linh hoạt các vị trí gá đặt, cũng như phù hợp với các không gian thao tác. Cặp coupler chờ tiêu chuẩn 1/4"-NPT, cho phép đấu nối nhanh với ống dây thủy lực theo kiểu vặn ren.
- Khi siết các mặt bích, bề mặt rộng và dài bố trí nhiều bulong, cần tính đồng phẳng cao, đảm bảo kín khít, có thể chọn giải pháp 1 bơm phối cho nhiều cờ lê thủy lực Torc Stark 8CLCD hoạt động cùng lúc thông qua bộ chia thủy lực.
- Cờ lê thủy lực Torc Stark 8CLCD được sản xuất tại Nhà máy của Pingyuan Jingke đặt tại Trung Quốc. Made in China.
- Nhận sửa chữa, phục chế cờ lê thủy lực, bơm thủy lực và cung cấp phụ kiện đầy đủ (gioăng phớt, lò xo, valve) của DKV HYDRAULIC, Enerpac và các hãng khác. Nhận cung cấp dịch vụ kiểm định test tải trọng, lực siết, áp lực cờ lê thủy lực tại các trung tâm kiểm định của Nhà nước và tư nhân, để nhanh chóng đưa cờ lê thủy lực vào sử dụng tới khách hàng.
- Cung cấp các loại tròng, lục chìm, đầu chuyển siết bulong, đai ốc cường độ cao (cấp bền cao: 8.8, 10.9, 12.9), phù hợp khi sử dụng cờ lê thủy lực Torc Stark 8CLCD.
- Cung cấp các loại bơm cờ lê thủy lực nhiều option tùy chọn: nhiều đầu ra, bơm khí nén, các mức điện áp (220V/1ph hoặc 380V/3ph), bơm cờ lê thủy lực phòng chống cháy nổ....phù hợp với từng yêu cầu của khách hàng khi sử dụng cờ lê thủy lực Torc Stark 8CLCD đặt ra.
- DKV VIET NAM nhận cung cấp ống dây thủy lực (vật liệu cao su hoặc nylon gia cường) với độ dài bất kỳ (4m, 6m, 8m, 10m, 15m, 20m, 50m...), chuyển đổi coupler sang các kiểu khác, để phù hợp với chuẩn Hytorc, TorcUP, Enerpac, Power Team, Simplex, Plarad, Riken, Hi-Force... mà khách hàng đang sử dụng.
- Giao hàng và service cờ lê thủy lực Torc Stark 8CLCD toàn quốc cho mọi khách hàng, hãy liên hệ với chúng tôi tại các văn phòng gần nhất, để được phục vụ.

-
Thông tin sản phẩm niêm yết chính thức tại hãng Torc Stark

-
Catalogue, thông số kỹ thuật sản phẩm chi tiết tại xem đây.






- Đơn giá : vui lòng liên hệ với chúng tôi để biết chi tiết.
- Xuất xứ: Torc Stark/China.
- CO, CQ do nhà sản xuất Torc Stark/China.
- Bảo hành: 12 tháng.
- Quy cách đóng gói: hộp carton.
- Thời gian giao hàng: 2-3 ngày đối với hàng có sẵn tại Việt nam, 10-30 ngày đối với hàng không có sẵn tại Việt nam.
- Giao hàng toàn quốc, vui lòng tham khảo chính sách giao hàng phía dưới website.

































