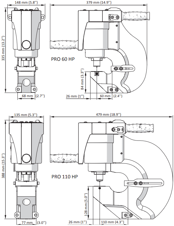
ĐỘT LỖ THỦY LỰC PROMOTECH PRO 60 HP | PROMOTECH HYDRAULIC PUNCHER PRO 60 HP | 35 tấn | 27 mm


- Đột lỗ thủy lực Promotech PRO 60 HP, Promotech hydraulic puncher PRO 60 HP: là loại máy đột lỗ kim loại bằng thủy lực, có sức đẩy max: 35 tấn, áp hoạt động < 700 bar (10.000 psi). Khả năng đột lỗ size: Ø 27 mm, độ dày tối đa: 13 mm, chiều sâu họng: 60 mm. Là thiết bị được sử dụng để tạo lỗ tròn, lỗ ovan hoặc lỗ hình vuông trên vật liệu sắt thép có độ cứng trung bình, đặc biệt phù hợp để đột lỗ trên thép dầm, thép tấm vv...
- Hiệu quả và an toàn để sử dụng khi được đính kèm các dụng cụ như: khuôn đột lỗ tròn cho thép nhẹ (tay cầm, và ống dây). Tất cả các cổng kết nối nằm ở phía sau, hệ thống điều khiển thông minh với nhích và phát hiện tải tự động
- Đột lỗ thủy lực Promotech PRO 60 HP được đánh giá mang lại hiệu suất làm việc rất tuyệt vời và giúp tiết kiệm được nhiều thời gian, chi phí và sức lao động. Đây cũng là thiết bị được khá nhiều đơn vị công nghiệp chọn sử dụng để đột tạo lỗ lên các tấm kim loại.
- Đột lỗ thủy lực Promotech PRO 60 HP thủy lực hoàn chính sẽ gồm có 2 phần chính là đầu đột và bơm thủy lực bằng điện để tạo thành 1 hệ thống máy đột lỗ thủy lực hoàn chỉnh, máy đột lỗ thủy lực Promotech PRO 60 HP có trọng lượng nhẹ, dễ dàng vận chuyển và xử lý, đặc biệt là trong không gian hạn chế.


- Trọng lượng đột lỗ thủy lực Promotech PRO 60 HP: 20 kg. Đầu kết nối theo chuẩn 3/8"-NPT có thể kết nối nhanh với các thiết bị thủy lực, phù hợp sử dụng với các máy bơm thủy lực khác nhau. Người dùng có thể di chuyển nhờ vào quai cầm được trang bị ở phần đầu của máy.
- Đột lỗ thủy lực Promotech PRO 60 HP được sản xuất bởi Promotece/Ba Lan. Made in Poland.
-
Thông tin sản phẩm niêm yết chính thức tại hãng Promotech.

-
Catalogue, thông số kỹ thuật sản phẩm chi tiết xem tại đây.




THÔNG TIN HỖ TRỢ:
- Xuất xứ: Promotech/Poland.
- CO, CQ do nhà sản xuất Promotech/Poland cấp.
- Bảo hành: 12 tháng (theo tiêu chuẩn nhà sản xuất).
- Quy cách đóng gói: hộp carton.
- Thời gian giao hàng: 1 - 2 ngày (đối với hàng có sẵn tại Việt nam) , 15 - 30 ngày (đối với hàng không có tại Việt nam, tùy thời điểm đặt hàng). Giao hàng toàn quốc.

- Đơn giá: vui lòng liên hệ với chúng tôi để biết chi tiết
- Xuất xứ: Promotech/Ba Lan.
- CO, CQ do nhà sản xuất Promotech/Ba Lan.
- Bảo hành: 12 tháng.
- Quy cách đóng gói: hộp nhựa đen.
- Thời gian giao hàng: 2-3 ngày đối với hàng có sẵn tại Việt nam, 10-30 ngày đối với hàng không có sẵn tại Việt nam.
- Giao hàng toàn quốc, vui lòng tham khảo chính sách giao hàng phía dưới website.






























