KÍCH MÓC THỦY LỰC EAGLE G-100C | EAGLE HYDRAULIC TOE JACK G-100C | 5 tấn | 130 mm


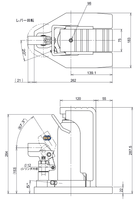
- Kích móc thủy lực Eagle G-100C, Eagle hydraulic toe jack G-100C: là loại kích móc chân, chuyên dùng để nâng các tải trọng có khe hở ban đầu rất hẹp, thuộc loại liền bơm (tích hợp sẵn bơm trên thân kích). Kích móc thủy lực Eagle G-100C có sức nâng đầu: 10 tấn, có sức móc chân max: 5 tấn, hành trình max: 130 mm, khe hở ban đầu có thể móc được (bề dày càng): 22 mm, chiều cao chưa nâng: 288 mm.
- Kích móc thủy lực Eagle G-100C được trang bị thêm lớp mạ Niken giúp chống rỉ sét cho kích, làm tăng tuổi thọ của kích, thuận tiện khi sử dụng trong nhà máy thực phẩm, phòng sạch, môi trường dễ bị rỉ sét.
- Kích móc thủy lực Eagle G-100C có càng móc được gia cố, cũng như rãnh trượt trên thân kích được chế tạo từ thép cường lực, giúp kích hoạt động ổn định, giảm thiểu khả năng gãy càng, lật kích trong quá trình nâng hạ. Tiết diện chân đế (dài x rộng): 262 x 183 mm. Tiết diện của càng móc (dài x rộng): 55 x 75 mm.
- Thao tác hoạt động kích móc thủy lực Eagle G-100C đơn giản, linh hoạt thông qua cần lắc tay kết hợp với đóng/mở valve khóa dưới chân kích, tác động cánh tay đòn vào bơm để nâng, khi hạ để kích hồi cần đè nén thủ công.
- Để nâng móc các tải trọng lớn, dài và rộng: không lên phối cùng lúc nhiều kích móc thủy lực Eagle G-100C mà hãy chọn giải pháp phối 1 bơm cho nhiều kích móc thủy lực dạng dòng dây.
- Kích móc thủy lực Eagle G-100C có trọng lượng: 21 kg. Đóng gói: hộp carton. Được sản xuất bởi Konno Corporation (Eagle là nhãn hàng) - Tokyo - Japan. Made in Japan (CO Phòng thương mại Osaka | Japan). DKV VIET NAM CO.,LTD nhập khẩu trực tiếp từ Nhật Bản và phân phối service.
- Nhận sửa chữa, phục chế kích thủy lực, bơm thủy lực và cung cấp phụ kiện đầy đủ (gioăng phớt, lò xo, valve) của Eagle và các hãng khác. Nhận cung cấp dịch vụ kiểm định test tải trọng kích tại các trung tâm kiểm định của Nhà nước và tư nhân, để nhanh chóng đưa kích vào sử dụng tới khách hàng.
- Ngoài cung cấp kích móc thủy lực Eagle G-100C và các sản phẩm tiêu chuẩn luôn có sẵn, chúng tôi còn cung cấp các kích móc thủy lực chất lượng cao của Jung | Germany, Osaka Jack | Japan, Masada | Japan và hàng giá rẻ hơn của Tonners | Korea, China để thỏa mãn sự lựa chọn thêm của khách hàng, phù hợp với tiêu chí của khách hàng đặt ra (tham khảo tại: www.osaka-jack.com.vn và www.dkv-hydraulic.com).
- Giao hàng và service kích móc thủy lực Eagle G-100C toàn quốc cho mọi khách hàng, hãy liên hệ với chúng tôi tại các văn phòng gần nhất, để được phục vụ.
-
Thông tin sản phẩm niêm yết chính thức tại hãng Eagle.

-
Catalogue, thông số kỹ thuật sản phẩm chi tiết xem tại đây

THÔNG TIN HỖ TRỢ:
- Xuất xứ: Eagle/Japan.
- CO do phòng thương mại Nhật Bản cấp (bản photo copy).
- CQ do nhà sản xuất Eagle/Japan cấp.
- Bảo hành: 12 tháng (theo tiêu chuẩn nhà sản xuất).
- Quy cách đóng gói: hộp carton.
- Thời gian giao hàng: 1 - 2 ngày (đối với hàng có sẵn tại Việt Nam) , 15 - 45 ngày (đối với hàng không có tại Việt Nam, tùy thời điểm đặt hàng). Giao hàng toàn quốc.

- Đơn giá: vui lòng liên hệ với chúng tôi để biết chi tiết.
- Xuất xứ: Eagle/Japan.
- CO, CQ do nhà sản xuất Eagle/Japan.
- Bảo hành: 12 tháng.
- Quy cách đóng gói: hộp carton.
- Thời gian giao hàng: 2-3 ngày đối với hàng có sẵn tại Việt nam, 10-30 ngày đối với hàng không có sẵn tại Việt nam.
- Giao hàng toàn quốc, vui lòng tham khảo chính sách giao hàng phía dưới website.





































