KÍCH THỦY LỰC MỎNG RSM-100 | CON ĐỘI THỦY LỰC MỎNG RSM-100 | FLAT HYDRAULIC JACK RSM-100 | 10 tấn | 12 mm


- Kích thủy lực RSM-100, con đội thủy lực RSM-100, hydraulic jack RSM-100: là loại kích thủy lực, con đội thủy lực 1 chiều, dạng mỏng, thân vỏ thép, có sức nâng max: 10 tấn, hành trình max: 12 mm, chuyên dùng trong nâng hạ công nghiệp, đặc biệt dùng để căn chỉnh tải trọng, chiều cao nâng. Được sản xuất copy theo tiêu chuẩn của Enerpac với các thông số tương tự.
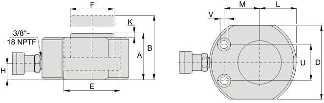
- Kích thủy lực RSM-100 áp hoạt động < 700 bar, với coupler tiêu chuẩn ren 3/8"NPT cho phép kích thủy lực RSM-100 đấu nối nhanh với bơm thủy lực, thông qua ống dây, phụ kiện thủy lực.
- Kích thủy lực RSM-100 được chế tạo bằng thép cường lực, chịu va đập tốt, kết hợp với gioăng phớt chất lượng cao, cho tuổi thọ sử dụng dài lâu, đặc biệt là sai số tải trọng rất nhỏ trong quá trình sử dụng theo năm tháng vận hành.
- Trang bị lò xo hồi giúp kích thủy lực RSM-100 hồi nhanh về vị trí ban đầu, khi xả tải (xả áp), giảm thiểu thời gian chờ đợi hồi kích trong quá trình thao tác.
- Để nâng các tải trọng cỡ lớn, kích thước dài và rộng, có phân bố tải trọng không đồng đều, thường chọn giải pháp phối 1 bơm cho nhiều kích thủy lực RSM-100, hoạt động đồng thời, thay vì chỉ sử dụng một vài chiếc kích cỡ lớn.
-
Một bộ kích thủy lực đầy đủ RSM-100 hoàn chỉnh: sẽ bao gồm thêm bơm thủy lực P-392S, ống dây thủy lực 2m có tích hợp coupler và áp kế chạy tốt.

- Kích thủy lực mỏng RSM-100 là sản phẩm OEM (đặt hàng gia công chế tạo) tại Trung Quốc của DKV VIET NAM CO.,LTD. Made in China.
- Nhận sửa chữa, phục chế kích thủy lực, bơm thủy lực và cung cấp phụ kiện đầy đủ (gioăng phớt, lò xo, valve) của DKV HYDRAULIC, Enerpac và các hãng khác. Nhận cung cấp dịch vụ kiểm định test tải trọng kích thủy lực RSM-100 tại các trung tâm kiểm định của Nhà nước và tư nhân, để nhanh chóng đưa kích thủy lực RSM-100 vào sử dụng tới khách hàng.
- DKV VIET NAM nhận cung cấp ống dây thủy lực (vật liệu cao su hoặc nylon gia cường) với độ dài bất kỳ (4m, 6m, 8m, 10m, 15m, 20m, 50m...), chuyển đổi coupler sang các kiểu khác, để phù hợp với chuẩn Osaka, Enerpac, Power Team, Betex, Holmatro, Riken, Larzep, Rehobot, Simplex, Tecpos, Tonners... mà khách hàng đang sử dụng.
- Ngoài kích thủy lực RSM-100 và các sản phẩm tiêu chuẩn luôn có sẵn, chúng tôi còn có sẵn các kích tiêu chuẩn chất lượng cao hơn của Japan, Korea, China để thỏa mãn sự lựa chọn thêm của khách hàng, phù hợp với tiêu chí của khách hàng đặt ra (tham khảo tại: www.osaka-jack.com.vn và www.dkv.biz.vn).
- Giao hàng và service kích thủy lực RSM-100 toàn quốc cho mọi khách hàng, hãy liên hệ với chúng tôi tại các văn phòng gần nhất, để được phục vụ.



- Đơn giá : vui lòng liên hệ với chúng tôi để biết chi tiết.
- Xuất xứ: DKV Hydraulic/Made in China (OEM, đặt hàng gia công tại Trung Quốc).
- CO, CQ do nhà sản xuất DKV Hydraulic thuộc DKV VIET NAM CO.,LTD cấp.
- Bảo hành: 12 tháng.
- Quy cách đóng gói: hộp carton.
- Thời gian giao hàng: 2 - 3 ngày đối với hàng có sẵn tại Việt nam, 10 - 30 ngày đối với hàng không có sẵn tại Việt nam.
- Giao hàng toàn quốc, vui lòng tham khảo chính sách giao hàng phía dưới website.








































